热门关键词:304丝口闸阀、磁性锁铜闸阀,、沟槽暗杆闸阀、法兰式硬密封气动蝶阀、煤气密闭蝶阀
【产品简介】
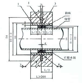
1 、该产品是按照02S404国标图集供应的。
2 、Ⅱ型刚性防水套管,适用于铸铁管,也适用于非金属管,但应根据采用管材的管壁厚度修正有关尺寸。
3 、翼环及钢套管定制完成后,在其外壁均刷底漆一遍(底漆包括樟丹或冷底子油)。
4 、Ⅱ型套管尺寸表内所列之材料重量为钢套管(套管长度L 值按200mm 计算)及翼环之重量。钢套管及翼环用A3 材料制作,T42 焊条焊接。
5 、Ⅱ型套管穿墙处之墙壁,如遇非混凝土墙壁时应改用混凝土墙壁,其浇注混凝土范围,Ⅱ型套管应比翼环直径(D4 )大200mm ,而且需将套管一次浇固于墙内。套管内的填料应紧密捣实。
6 、Ⅱ型防水套管处的混凝土墙厚,应不小于200mm ,否则应使墙壁一边或两边加厚,加厚部分的直径,小应比翼环直径(D4 )大200mm。
【刚性防水套管 (A型)】
刚性防水套管(A 型)适用于管道穿墙处不承受管道振动和伸缩变形的构(建)筑物。对于有地震设防要求的地区,如采用刚性防水套管,应在进入池壁或建筑物外墙的管道上就近设置柔性连接。A型适用于钢管。
刚性防水套管(A型)尺寸、重量表(表中DN为防水套管公称通径,D1为该套管设计穿管外径,D3为防水套管管子外径,D4为翼环外径)
【技术参数】
DN | D1 | D2 | D3 | D4 | & | b | k | 重量(kg) | DN | D1 | D2 | D3 | D4 | & | b | k | 重量(kg) |
50 | 60 | 80 | 114 | 225 | 3.5 | 10 | 4 | 4.49 | 500 | 530 | 550 | 590 | 730 | 10 | 16 | 10 | 44.54 |
65 | 75.5 | 95 | 121 | 230 | 3.75 | 10 | 4 | 4.66 | 600 | 630 | 660 | 690 | 830 | 10 | 16 | 10 | 54.5 |
80 | 89 | 110 | 140 | 250 | 4 | 10 | 4 | 5.33 | 700 | 720 | 750 | 790 | 920 | 10 | 16 | 10 | 61.43 |
100 | 108 | 130 | 159 | 270 | 4.5 | 10 | 5 | 6.36 | 800 | 820 | 850 | 880 | 1020 | 10 | 16 | 10 | 69.12 |
125 | 133 | 155 | 180 | 290 | 6 | 10 | 6 | 8.33 | 900 | 920 | 950 | 980 | 1120 | 10 | 16 | 10 | 76.81 |
150 | 159 | 180 | 219 | 330 | 6 | 10 | 6 | 10.06 | 1000 | 1020 | 1050 | 1080 | 1230 | 10 | 16 | 10 | 84.5 |
200 | 219 | 240 | 273 | 385 | 8 | 12 | 8 | 15.9 | 1200 | 1220 | 1250 | 1290 | 1430 | 12 | 20 | ?12 | 122.5 |
250 | 273 | 295 | 325 | 435 | 8 | 12 | 8 | 18.68 | 1400 | 1420 | 1450 | 1490 | 1630 | 12 | 20 | 12 | 141.3 |
300 | 325 | 345 | 377 | 500 | 10 | 14 | 10 | 27.4 | 1600 | 1620 | 1650 | 1690 | 1830 | 14 | 20 | 14 | 176.4 |
350 | 377 | 400 | 426 | 550 | 10 | 14 | 10 | 30.95 | 1800 | 1820 | 1850 | 1900 | 2040 | 16 | 20 | 16 | 216.6 |
400 | 426 | 445 | 480 | 600 | 10 | 14 | 10 | 34.35 | 2000 | 2020 | 2050 | 2100 | 2240 | 16 | 20 | 16 | 239.3 |
450 | 480 | 500 | 530 | 650 | 10 | 14 | 10 | 37.85 |